Zum Hauptinhalt springen Zur Suche springen Zur Hauptnavigation springen

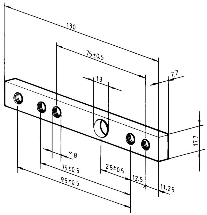
Gewindeplatte Rapid universal

Produktinformationen "Gewindeplatte Rapid universal"

Einsatzmöglichkeiten:
Universelle Gewindeplatte für verschiedene Scharniere.

Anbauhinweise:
Die Gewindeplatte wird in die Hohlkammer des
Bordwandprofils eingeschoben und mit dem Scharnier verschraubt.

Oberfläche: verzinkt

Gewicht: 0.12 kg
Produktgalerie überspringen

Ähnliche Artikel

Gewindeplatte Rapid 25/30
Einsatzmöglichkeiten:Gewindeplatte für die Scharnierlager 25/30, H55, H70 und H90.Anbauhinweise:Die Gewindeplatte wird in die Hohlkammer des Bordwandprofils eingeschoben und mit dem Scharnier verschraubt.Oberfläche: verzinktGewicht: 0.09 kg

1,19 €*

Zum Produkt
Gewindeplatte Rapid H902 / H955
Einsatzmöglichkeiten:Gewindeplatte für die Scharniere H902 und H955.Anbauhinweise:Die Gewindeplatte wird in die Hohlkammer desBordwandprofils eingeschoben und mit dem Scharnier verschraubt.Oberfläche: verzinktGewicht: 0.05 kg

1,19 €*

Zum Produkt
Gewindeplatte Rapid H956
Einsatzmöglichkeiten:Gewindeplatte für das Scharnier H956.Anbauhinweise:Die Gewindeplatte wird in die Hohlkammer desBordwandprofils eingeschoben und mit dem Scharnier verschraubt.Oberfläche: AluminiumGewicht: 0.48 kg

1,19 €*

Zum Produkt
Gewindeplatte Rapid 25/30
Einsatzmöglichkeiten:Gewindeplatte für den Anschraubbolzen 25/30.Anbauhinweise:Die Gewindeplatte wird mit dem Scharnierbolzen durch den Bodenrahmen verschraubt.Oberfläche: verzinktGewicht: 0.05 kg

1,19 €*

Zum Produkt
Gewindeplatte Rapid H871K/24
Einsatzmöglichkeiten:Gewindeplatte für den Scharnierbolzen H871K/24.Anbauhinweise:Die Gewindeplatte wird in die Hohlkammer desBordwandprofils eingeschoben und mit dem Scharnier verschraubt.Oberfläche: verzinktGewicht: 0.09 kg

1,19 €*

Zum Produkt
Gewindeplatte Rapid H871KL
Einsatzmöglichkeiten:Gewindeplatte für das Scharnierlager H871KL.Anbauhinweise:Die Gewindeplatte wird mit dem Scharnierlager durch den Bodenrahmen verschraubt.Oberfläche: verzinktGewicht: 0.05 kg

1,19 €*

Zum Produkt
Gewindeplatte Rapid H871KL
Einsatzmöglichkeiten:Gewindeplatte für den Scharnierbolzen H871KL.Anbauhinweise:Die Gewindeplatte wird in die Hohlkammer desBordwandprofils eingeschoben und mit dem Scharnier verschraubt.Oberfläche: verzinktGewicht: 0.06 kg

1,19 €*

Zum Produkt
Gewindeplatte Rapid H952I
Einsatzmöglichkeiten:Gewindeplatte für den Scharnierbolzen H952I.Anbauhinweise:Die Gewindeplatte wird mit dem Scharnierlager durch den Bodenrahmen verschraubt.Oberfläche: verzinktGewicht: 0.05 kg

1,19 €*

Zum Produkt